16 Mar,2026
Fogaskerék vs. lapát vs. dugattyú: Melyik ipari hidraulikus szivattyú kínálja a legjobb hatékonyságot?


Motorok nagynyomású, nagy sebességű meghajtással és kiegyenlítő szelepekkel,
Nagy terhelési körülményekre tervezték
Ideális megoldás egy 6-50 tonnás hidraulikus kotrógéphez
Hatékony és kompakt kialakítás
A nagynyomású technológia növeli a hidraulikus rendszer hatékonyságát
Kétsebességes motor beépített kiegyenlítő szeleppel és nyomáscsökkentő szeleppel
A motor integrálja a hidraulikus fékezés funkcióját
A sebesség kérésre automatikusan módosítható
Alacsony hőmérséklet, nagy hatásfok
Működési hőmérséklet tartomány: -20°C~80°C
Kompakt kialakítás
Az alacsony lökettérfogatú, nagynyomású motorok meghosszabbítják a fontos alkatrészek élettartamát és javítják az egészet
A rendszer tartóssága
Teljesen réz bélés a hidraulikus dugattyú forgatásához
Dupla fém (réz/acél) elosztótálca
A speciális rugórendszerrel ellátott forgáskombináció megnöveli a motor élettartamát
A reduktor hármas tömítési rendszere: mechanikus labirintus tömítés, V-típusú olajtömítés, fő olajtömítés.
A fő olajtömítés a reduktor szétszerelése nélkül cserélhető
A reduktor csapágyai független alkatrészek, könnyen felszerelhetők, és teljesen előre beállíthatók negatív terhelésekre
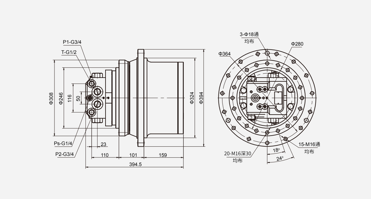
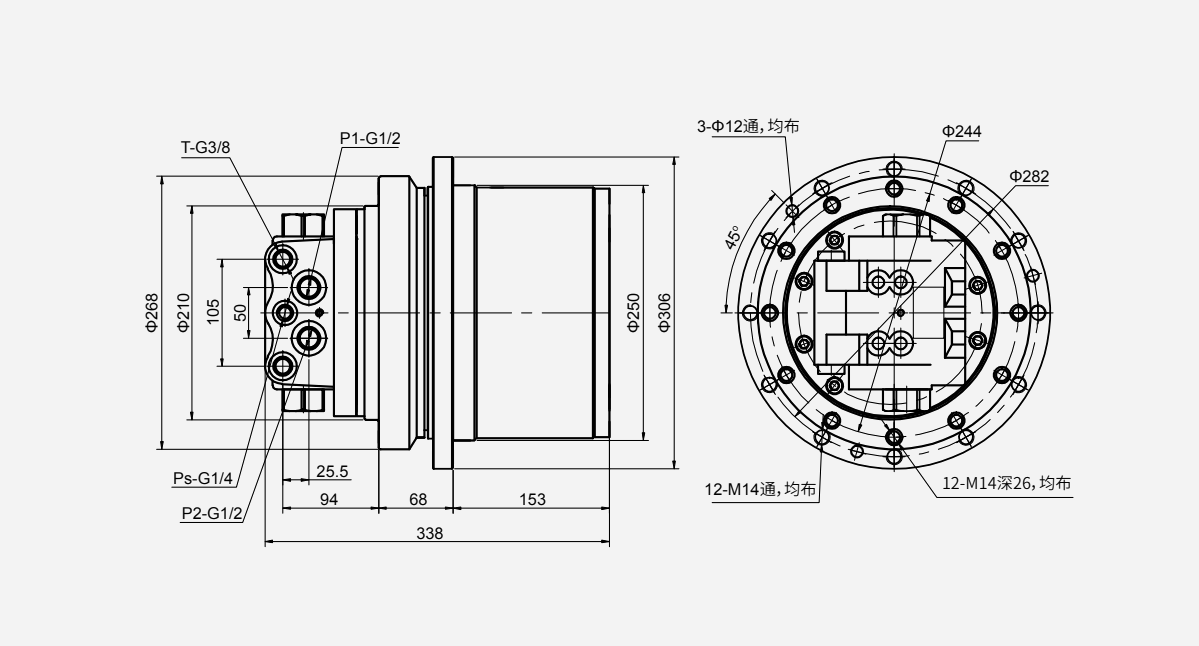
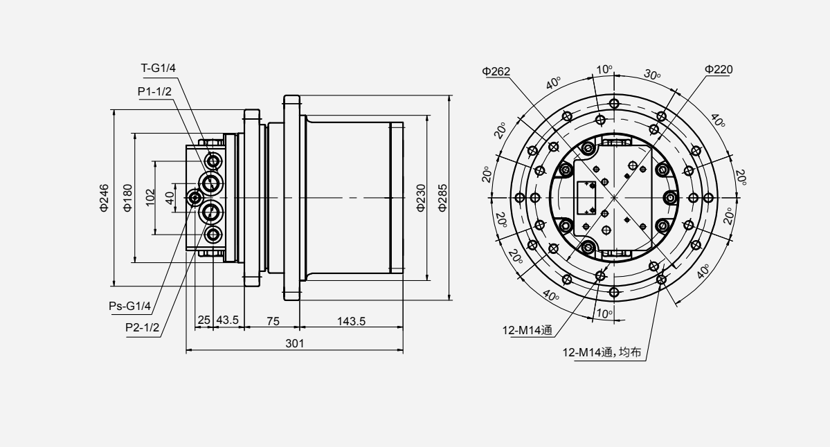
ITM01:
| Modal | (L/perc) | (ML/r) | (Mpa) | (Mpa) | Áttételi arány | (N.m) | (r/perc) | Forgás | (℃) | (mm2/s) |
| ITM01 | 20 | 6,31/12,56 | 25 | 2-7 | 36.96 | 1845 | 85,8/43 | kétirányú | -20-80 | 16-25 |
| Modal | (L/perc) | (ML/r) | (Mpa) | (Mpa) | Áttételi arány | (N.m) | (r/perc) | Forgás | (℃) | (mm2/s) |
| ITM03 | 40 | 12/18 | 21 | 2-7 | 45.2 | 2719 | 55/37 | kétirányú | -20-80 | 16-25 |
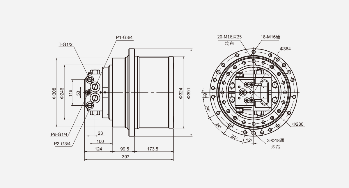
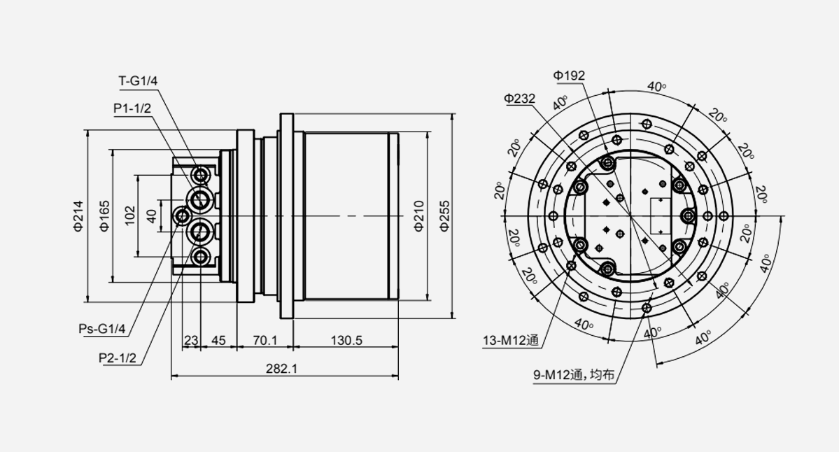
ITM04:
| Modal | (L/perc) | (ML/r) Motor | (Mpa) | (Mpa) | Áttételi arány | (N.m) | (r/perc) | Forgás | (℃) olaj | (mm2/s) |
| ITM04 | 40 | 14,3/23,6 | 21 | 2-7 | 52.7 | 4200 | 55/33 | kétirányú | -20-80 | 16-25 |
| Modal | (L/perc) Bemeneti áramlás | (ML/r) | (Mpa) | (Mpa) | Áttételi arány | (N.m) | (r/perc) | Forgás | (℃) | (mm2/s) |
| ITM06 | 50 | 19/34 | 24.5 | 2-7 | 47.53 | 6300 | 55/30 | kétirányú | -20-80 | 16-25 |
| Modal | (L/perc) Bemeneti áramlás | (ML/r) | (Mpa) Üzemi nyomás | (Mpa) | Áttételi arány | (N.m) | (r/perc) | Forgás | (℃) olaj | (mm2/s) |
| ITM07 | 50 | 22/44 | 27.5 | 2-7 | 53.706 | 10500 | 50/25 | kétirányú | -20-80 | 16-25 |
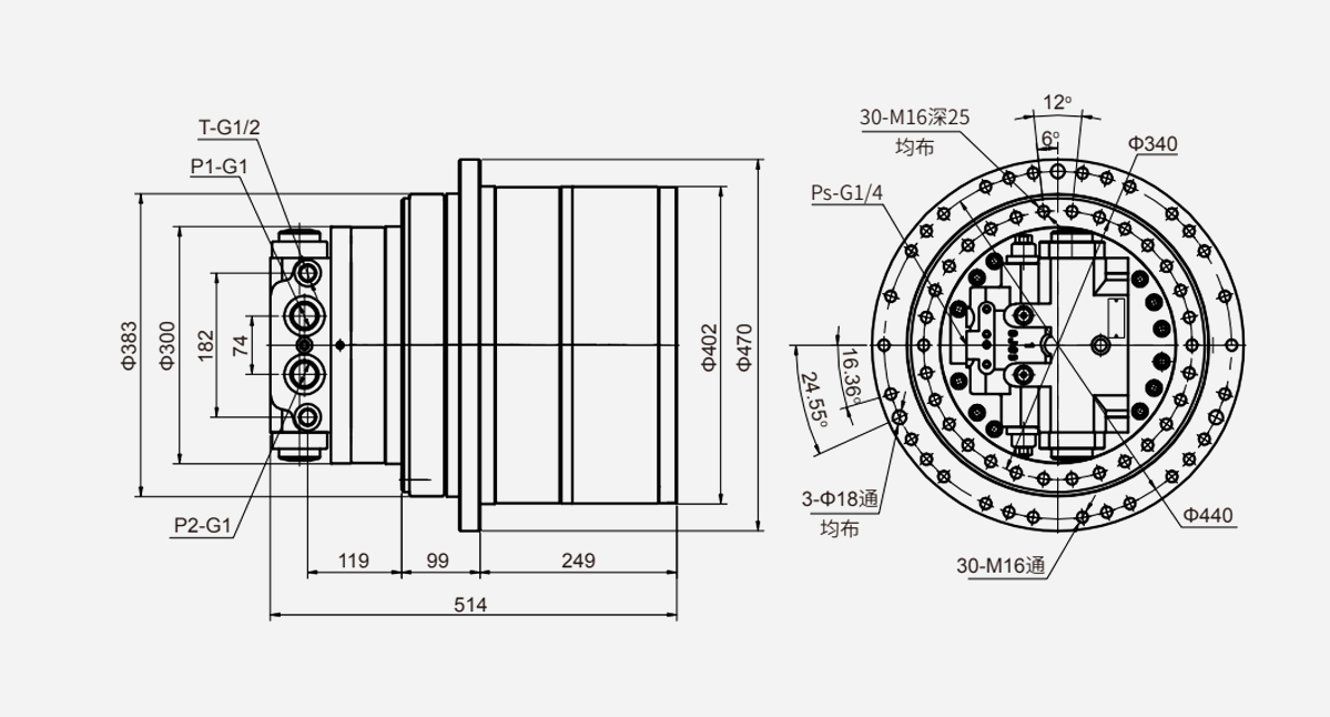
ITM09:
| Modal | (L/perc) | (ML/r) | (Mpa) | (Mpa) | Áttételi arány | (N.m) | (r/perc) | Forgás | (℃) | (mm2/s) |
| ITM09 | 80 | 34/53 | 30 | 2-7 | 53.7 | 11500 | 51/33 | kétirányú | -20-80 | 16-25 |
| Modal | (L/perc) | (ML/r) | (Mpa) | (Mpa) | Áttételi arány | (N.m) | (r/perc) | Forgás | (℃) | (mm2/s) |
| ITM10 | 80 | 38/65 | 25 | 2-7 | 53.7 | 13000 | 51/33 | kétirányú | -20-80 | 16-25 |
| Modal | (L/perc) | (ML/r) | (Mpa) | (Mpa) | Áttételi arány | (N.m) | (r/perc) | Forgás | (℃) | (mm2/s) |
| ITM18 | 130 | 43/67 | 30 | 2-7 | 53 | 16900 | 57/37 | kétirányú | -20-80 | 16-25 |
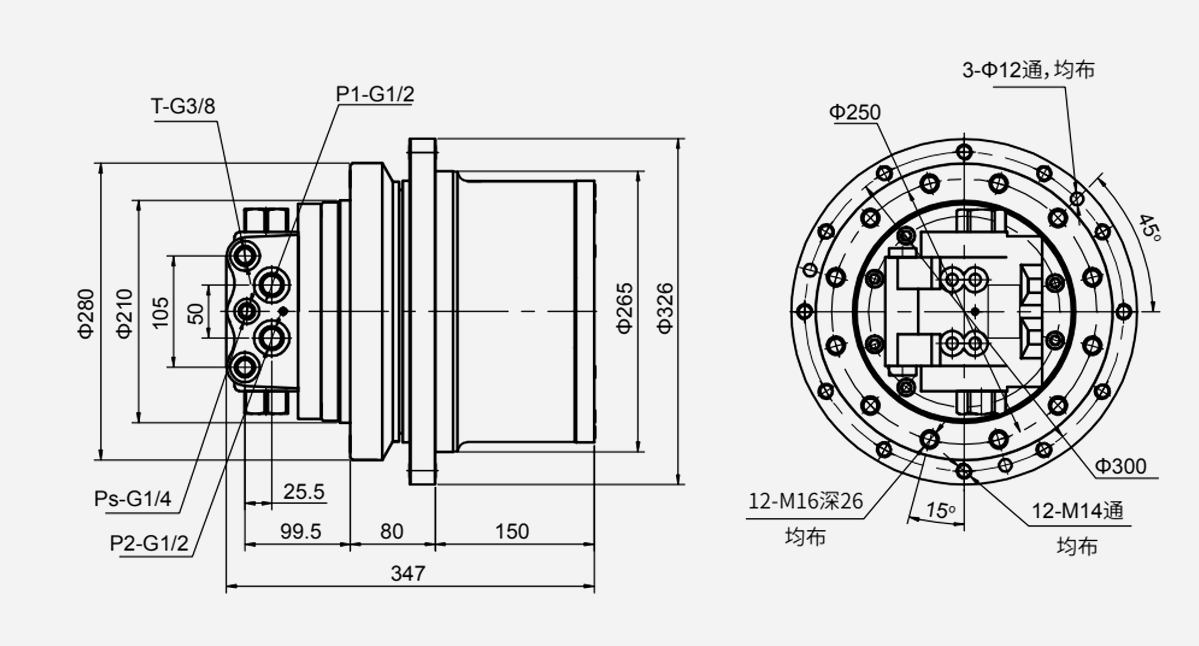
| Modal | (L/perc) | (ML/r) | (Mpa) | (Mpa) | Áttételi arány | (N.m) | (r/perc) | Forgás | (℃) | (mm2/s) | Alkalmazható modellek |
| ITM22 | 130 | 48/81 | 34.3 | 2-7 | 53.7 | 23700 | 50/30 | kétirányú | -20-80 | 16-25 | 13-17 |
| Modal | (L/perc) | (ML/r) | (Mpa) | (Mpa) | Áttételi arány | (N.m) | (r/perc) Elméleti | Forgás | (℃) | (mm2/s) |
| ITM40 | 230 | 99/147 | 34.3 | 2-7 | 50.5 | 40546 | 50/32 | kétirányú | -20-80 | 16-25 |
| Modal | (L/perc) | (ML/r) | (Mpa) | (Mpa) | Áttételi arány | (N.m) | (r/perc) | Forgás | (℃) | (mm2/s) |
| ITM60 | 330 | 195/120 | 34.3 | 2-7 | 63.84 | 67000 | 40/26 | kétirányú | -20-80 | 16-25 |
A híres vállalatok által kínált termékekben a felhasználók mélyen megbíznak.
Éves ipari tapasztalat
Gyári terület
Ügyes alkalmazottak
Fejlett gyártósor
INI Hydraulic Co., Ltd. Több mint húsz éve specializálódott hidraulikus csörlők, hidraulikus motorok és bolygóművek tervezésére és gyártására. Mi vagyunk az egyik professzionális építőipari gép tartozék beszállítók Ázsiában. A vásárlók zseniális berendezéseinek optimalizálása érdekében testreszabható módja annak, hogy robusztus életben maradjunk a piacon. Az elmúlt 26 év során az ügyfelek igényeinek kielégítésére irányuló folyamatos innováció iránti elkötelezettségünknek köszönhetően saját fejlesztésű technológiáink alapján számos termékcsaládot fejlesztettünk ki. A termékek széles skálája, amelyek mindegyike intim összefüggésben van, hidraulikus és elektromos csörlőket, bolygóműveket, forgóhajtásokat, sebességváltókat, hidraulikus motorokat, szivattyúkat és hidraulikus rendszereket tartalmaz.
Termékeink megbízhatósága a legkülönfélébb alkalmazásokban bizonyított, beleértve a nem korlátozó jellegű ipari gépeket, építőipari gépeket, hajó- és fedélzeti gépeket, off-shore berendezéseket, bányászati és kohászati gépeket.
Emellett termékeink minőségét több világszerte elismert tanúsító testület is jóváhagyta. A termékeink által megszerzett tanúsítványok közé tartozik az EK-típusvizsgálati tanúsítvány, a BV MODE, a DNV GL tanúsítvány, az EK megfelelőségi tanúsítvány, a tengeri termékek típusjóváhagyási tanúsítványa és a Lloyd's Register minőségbiztosítási tanúsítványa. A hazai piacunkon kívül Kína mellett eddig széles körben exportáltunk termékeinket az Egyesült Államokba, Németországba, Hollandiába, Ausztráliába, Oroszországba, Törökországba, Szingapúrba, Japánba, Dél-Koreába, Malajziába, Vietnamba, Indiába és Iránba. Logisztikai és értékesítés utáni szolgáltatásaink gyorsan és megbízhatóan lefedik az egész világot ügyfeleink mély érdekeit szem előtt tartva.
16 Mar,2026
09 Mar,2026
02 Mar,2026
TOP